歡迎您來到溫州萬勝緊固件有限公司官方網站,我們專注好品質鑲嵌擠壓緊固件、焊接緊固件生產與銷售!
咨詢電話:86-18958835088 (王先生)
產品展示
產品詳情
壓鉚螺釘
名稱:壓鉚螺釘
品牌:萬勝
材質:不銹鋼
表面處理:鈍化
工藝:冷鐓
存放條件:干燥通風
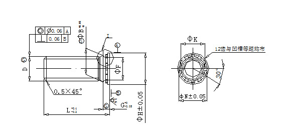
圖紙

屬性參數表
公制規格 | 板材厚度 | 板材孔徑 | 頭部直徑 | 壓鉚直徑 | 板孔中心Zhi邊緣Zui小距離E | 螺釘長度 |
M2.5*0.45 | 1 | 2.5 | 4.1 | 1.95 | 5.0 | 6-10 |
M3*0.5 | 1 | 3 | 4.6 | 2.1 | 5.5 | 8-18 |
M3.5*0.6 | 1 | 3.5 | 5.3 | 2.25 | 6.0 | 18-45 |
M4*0.7 | 1 | 4 | 5.9 | 2.4 | 7.0 | 8-25 |
M5*0.8 | 1 | 5 | 6.5 | 2.7 | 7.0 | 10-25 |
M6*1 | 1.5 | 6 | 8.2 | 3 | 8.0 | 10-35 |
M8*1.25 | 1.5 | 8 | 9.6 | 3.7 | 9.5 | 18-45 |
M10*1.5 | 1.5 | 10 | 12 | 3.7 | 13 |
|
產品說明
壓鉚螺釘是一種安裝快速可靠,只需簡單壓鉚便可實現的特種螺釘它適用于鋼、不銹鋼、銅、鋁合金板材等,完全消Chu了浪費,其使用價值的優點,一點程度上超過了傳統的焊接方式,并具有以下優點:
1、裝配方便,只需簡單壓鉚;
2、高轉矩阻力;
3、表面加工無危險,適用于鍍層材料;
4、規格系列化,能滿足多種設計要求;
壓鉚螺釘應用技術指南
1、FH(FHS)系列產品中,FH的材料為中碳鋁,經過淬火后表面處理,用戶可根據需要按表中型號選擇訂貨,也可以特別要求訂制。
2、選用螺釘時,必須根據所用材料厚度,其板材的要求,低碳鋼版材應當必須小于70RB,不銹鋼板材必須小于80RB。
3、加工板材孔必須對應表中給定值,按照0-0.075mm的公差加工,建議沖孔。
4、安裝時必須通過壓鉚來實現,其壓力板材及螺釘頭部尺寸而變化。




相關信息
相關新聞
專注鑲嵌擠壓緊固件、焊接緊固件產品, 是值得您信賴的合作伙伴
Contact Us
如果你有任何問題,你想了解的建議及產品,可以隨時聯系我們。期待您的咨詢?
聯系我們/ contact us
在線留言/ message